{{alert.message}}

deurslot insteek d&n pc nemef

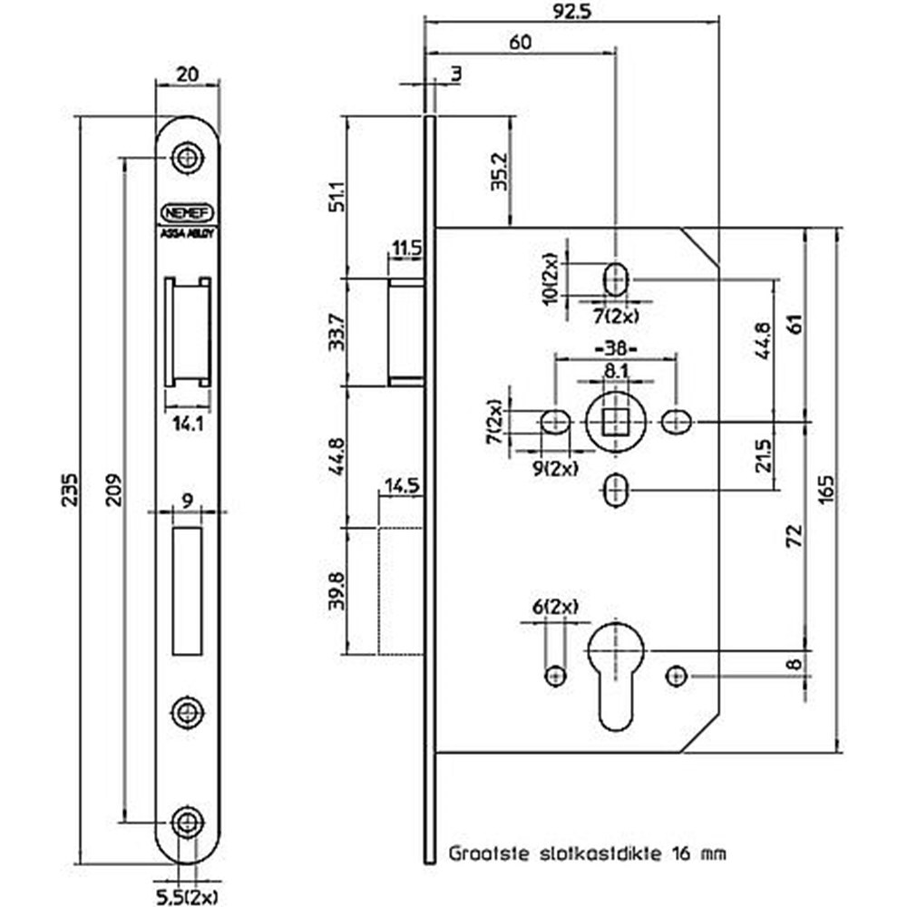
649/17 PC72MM DIN L/R

Artikelnummer: 00318354
EAN: 8713515334066

3-7 werkdagen
  • PC 72
  • Doornm. 60mm
  • RVS voorplaat
icon

57,40

50,51

incl. btw 61,12

Productomschrijving

Geschikt voor toepassing in afsluitbare binnendeuren in de utiliteitsbouw.

Specificaties

  • Volledig gesloten slotkast voorkomt binnendringen vuil voor lange probleemloze werking
  • Spelingsvrije beslagmontage ter voorkoming van een hangende deurkruk
  • Uniforme slotkastafmeting met 600 serie sloten
  • Messing dagschoot voor het soepel sluiten van de deur
  • Links en rechts verschillend
  • 17mm europrofielcilinder uitvoering
  • Messing nachtschoot (1-toers)
  • Afgeronde voorplaat in RVS

Technische gegevens

Model voorplaatafgerond
Afmetingen voorplaat20 x 235 mm
Materiaal voorplaatrvs
Afstand72 mm
Doornmaat60 mm
Draairichting1/2/3/4
Krukgat8 mm
Cilinderuitsparing17 mm
Aantal toeren1-toers
Aantal sleutelvarianten6
Dagschootuitslag11,5 mm
Materiaal dagschootmessing
Materiaal nachtschootmessing
Finish slotkastgelakt
Mat. slotkaststaal
Nachtschootuitslag14,5 mm
Aantal sleutels2
Omschrijving dagschootomlegbaar
Verpakkingper stuk
Extra te bestellen SluitplaatP 646/17
Produktserie600

Gerelateerde producten