{{alert.message}}

deurslot insteek loop lips

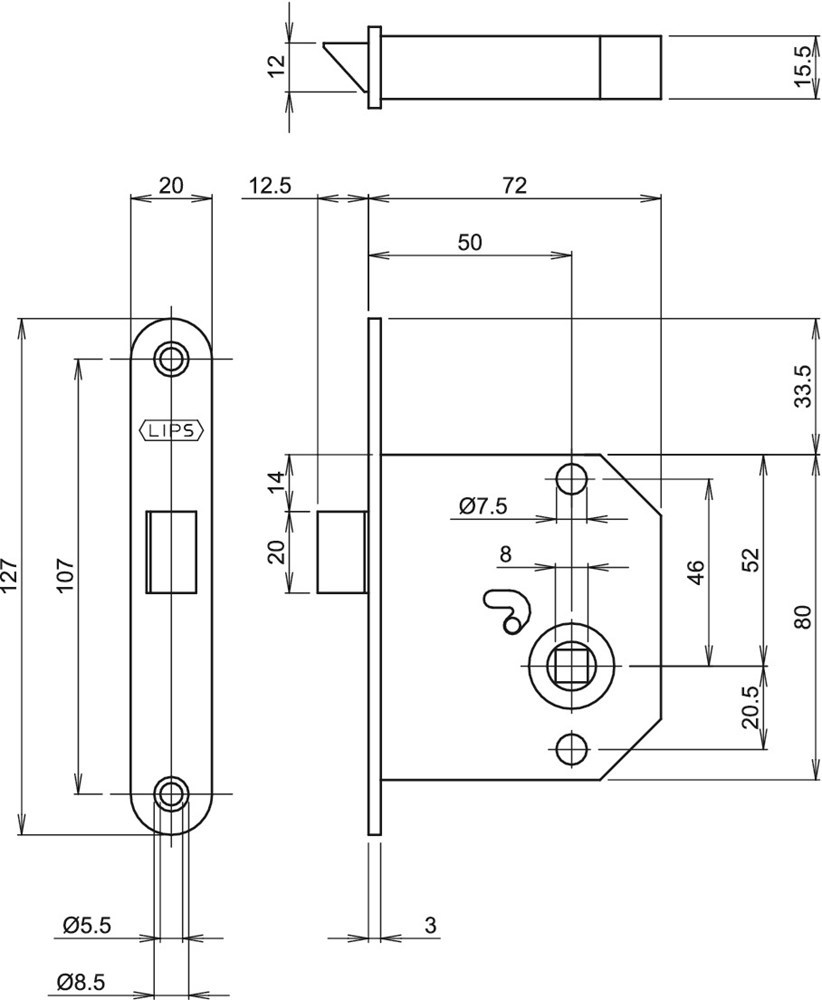
2084/1 LOOP DIN LS/RS

Artikelnummer: 00320075
EAN: 8713515316086

Direct leverbaar
7 stuks in vestiging Centraal magazijn
  • SL 57
  • Doornm. 50mm
  • Gelakte voorplaat

33,48
Korting: 10 %

30,13

incl. btw 36,46

Productomschrijving

Toepassingen: Loopslot voor binnendeuren in woningen.
Voordelen:
  • voor vervanging van bestaande Lips-Bruynzeel serie
  • voor links- en rechtsdraaiende deuren

Specificaties: Loopslot. Gelakte slotkast met gelakte afgeronde voorplaat. Doornmaat 50 mm.
  • omkeerbare dagschoot


Exclusief sluitplaat

Technische gegevens

doornmaat50 mm
voorplaatafgerond
materiaal voorplaatverzinkt
afm. voorplaat (hxbxd)127 x 20 x 3 mm

Gerelateerde producten