{{alert.message}}

deurslot insteek loop nemef

1435 LOOP DIN LS/RS

Artikelnummer: 00320682
EAN: 8713515013510

3-7 werkdagen
  • Blind
  • Doornm. 55mm
  • Gelakte voorplaat

24,69

21,73

incl. btw 26,29

Productomschrijving

Met gelakte voorplaat
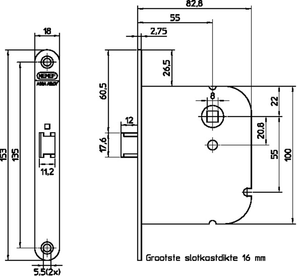
Insteek loopslot, geschikt voor woningbouw. Zamac dagschoot omlegbaar (links en rechts bruikbaar), krukgat 8 mm, smalle afgeronde gelakte stalen voorplaat van 153x18x2,75 mm, dichte verzinkte kast van 100x83x16 mm, doornmaat 55 mm, zamac tuimelaar.

Inclusief verzinkte sluitplaat.

Technische gegevens

draairichtingrechts

Gerelateerde producten