{{alert.message}}

meerpuntssluiting krukbediend oxloc

8060TW(4926) DIN L/R SKG***

Artikelnummer: 00319373
EAN: 8714678180125

Direct leverbaar
1 stuks in vestiging Centraal magazijn
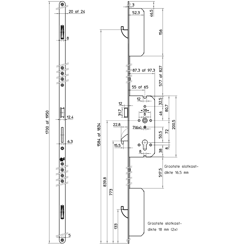
  • Vrpl. 24x1.950mm
  • Doornmaat 55mm
  • Afgerond
icon icon

123,81
Korting: 12 %

108,95

incl. btw 131,83

Productomschrijving

Krukbediende driepuntssluiting voor profielcilinder. Drie zamak haakschoten en dagschoot omlegbaar (links en rechts bruikbaar). Krukgat 8 mm en kruk-/cilindergat h.o.h. 72 mm. Voorzien van tandwielconstructie. Dichte antraciet gelakte kasten, slotkast 200,5x87,3x16,5 mm en bijzetsloten 156x52,5x16,5 mm.

Dien je een meerpuntssluiting te moeten vervangen en twijfel je of je de juiste hebt? Download dan het meerpuntssluitingen bestelformulier, vul hem in en mail hem ons door of breng hem langs in één van onze vestigingen.

Technische gegevens

uitvoeringzonder garnituur
slotbedieningkruk
steekmaatPC 72
doornmaat55 mm
model (voorplaat)ronde hoek(en)
materiaal (voorplaat)staal
lengte (voorplaat)1.950 mm
dikte (voorplaat)3 mm
breedte (voorplaat)20 mm
lengte (slotkast)200,5 mm
breedte (slotkast)87,3 mm
dikte (slotkast)16,5 mm
lengte (bijzetslot)156 mm
breedte (bijzetslot)52,5 mm
dikte (bijzetslot)16,5 mm
keurmerkSKG®***
materiaalstaal
lengte1.950 mm
draairichtingomlegbaar
dikte (stift)8 mm
uitvoering (slot/vergrendeling)met zwenkschoot
bedieningkrukbediend
deurhoogte (maximaal)2.400 mm

Downloads

Gerelateerde producten