{{alert.message}}

veiligheidsbijzetslot insteek nemef

4208/27-50MM SKG**

Artikelnummer: 00320562
EAN: 8713515112343

3-7 werkdagen
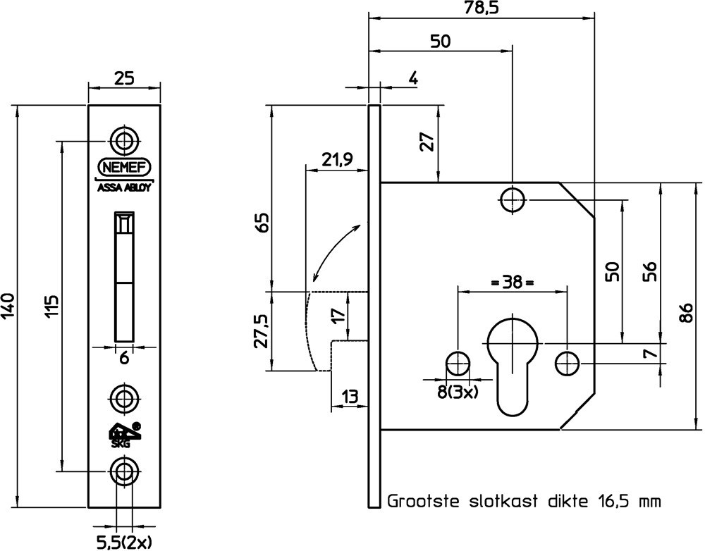
  • Doornm. 50mm
  • Incl. sluitplaat
  • RVS voorplaat
icon icon icon icon icon

61,26

53,91

incl. btw 65,23

Productomschrijving

Geschikt voor buitendeuren in de woning en utiliteitsbouw waar extra veiligheid is gewenst.

Voordelen
  • Veiligheidsslot klasse zwaar inbraakwerend
  • Voor zowel links als rechtsdraaiende deuren bruikbaar

Kenmerken
  • Zowel links als rechts bruikbaar
  • Gehard staal verzinkte haakschoot
  • RVS rechthoekige of afgeronde voorplaat
  • 1 toers
  • Sluitplaat P 4208/12 standaard bijgeleverd

Technische gegevens

doornmaat50 mm
lengte (voorplaat)140 mm
breedte (voorplaat)25 mm
lengte (nachtschoot)13 mm
model (voorplaat)ronde hoek(en)
keurmerkSKG®**
aantal (toeren)1-toers
draairichtingDIN links en DIN rechts
materiaalrvs
materiaal (haakschoot)staal (gehard verzinkt)
materiaal (slotkast)staal (verzinkt en gelakt)
model (slot/vergrendeling)insteekcilinderslot (bijzetslot, haakschoot)

Gerelateerde producten